收藏本站星火官网返回首页网站地图

欢迎访问江苏星火特钢有限公司网站!

不锈钢丝绳服务热线

86-523-83789696

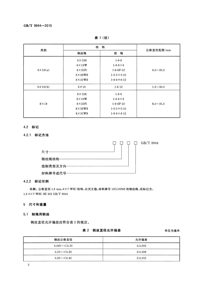
GB/T 9944-2015 不锈钢丝绳

[作者:jsxihu] [日期:17-12-19] [热度:]

定制特细不锈钢丝绳,汽车拉索不锈钢丝绳,晾衣架钢丝绳,电动窗用钢丝绳,医疗用不锈钢丝绳等。

江苏星火特钢有限公司(总部):
地址:江苏省兴化市戴南镇兴达大道西侧北1号
销售热线:0523-83789696 0523-83989888
靳经理:133 7601 8708 QQ/微信:8953996044
王经理:152 9525 0929

苏ICP备16042923号